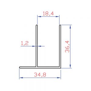
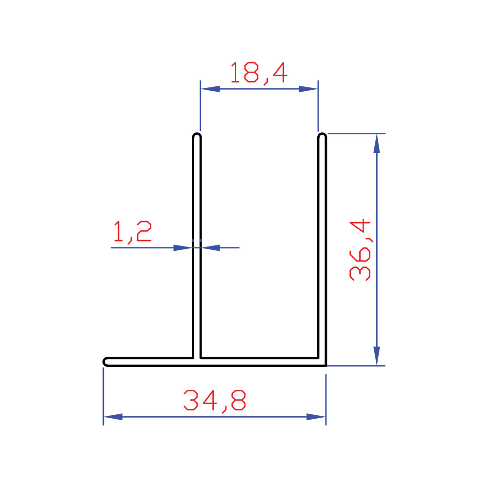
2841-r-340-gr-m