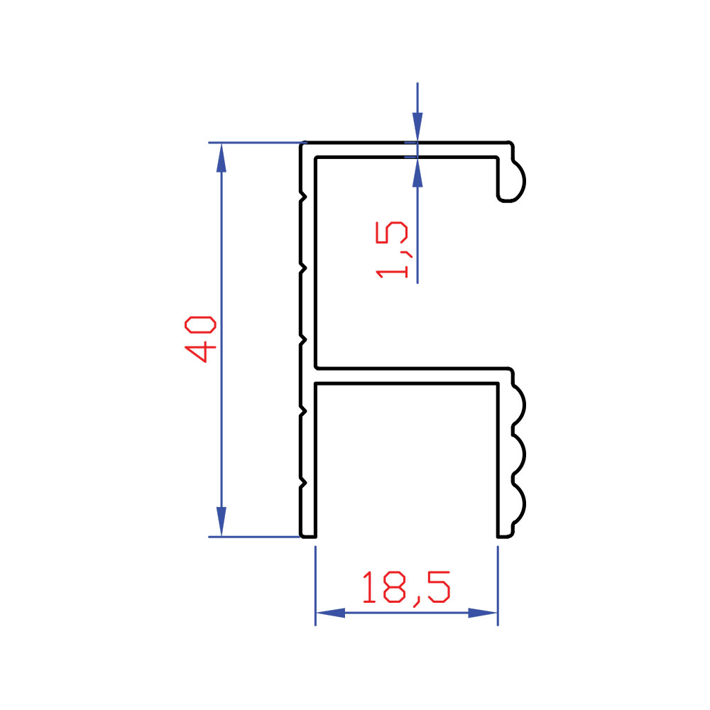
6834-436-gr-m