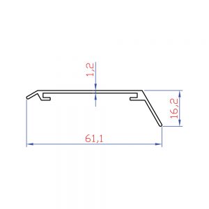
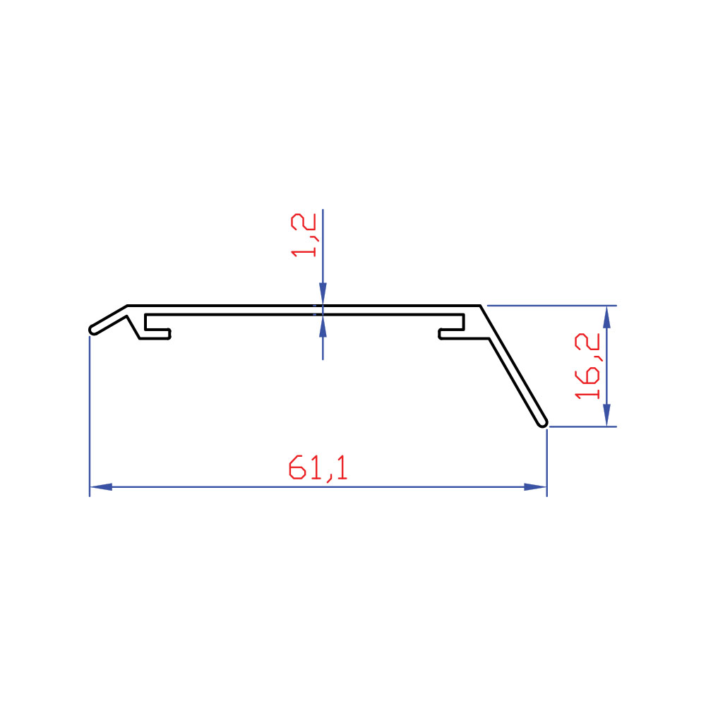
4839-285-gr-m